射频导纳料位开关是一种从电容式发展起来的、防挂料、更可靠、更准确、适用性更广的新型物位控制技术,是电容式物位技术的升级。所谓射频导纳,导纳的含义为电学中阻抗的倒数,它由电阻性成分、电容性成分、感性成分综合而成,而射频即高频无线电波谱,所以射频导纳可以理解为用高频无线电波测量导纳。仪表工作时,仪表的传感器与灌壁及被测介质形成导纳值,物位变化时,导纳值相应变化,电路单元将测量导纳值转换成物位信号输出,实现物位测量。
1.通用性强:可测量液位及料位,可满足不同温度、压力、介质的测量要求,并可应用于腐蚀、冲击等恶劣场合
2.防挂料 :独特的电路设计和传感器结构,使其测量可以不受传感器挂料影响,无需定期清洁,避免误测量。
3.免维护 :测量过程无可动部件,不存在机械部件损坏问题,无须维护。
4.抗干扰 :接触式测量,抗干扰能力强,可克服蒸汽、泡沫及搅拌对测量的影响。
5.准确可靠:测量量多样化,使测量更加准确,泽良不受环境变化影响,稳定性高,使用寿命长
应用:
导电、绝缘液体………………………化工、油田、水及污水处理;
导电、绝缘浆体………………………造纸、制药、水及污水处理;
粉末:灰、粉…………………………电厂、冶金、水泥;
颗粒:煤、粮食………………………电厂、冶金、粮食;
界面:不同两种液体…………………油田、化工。

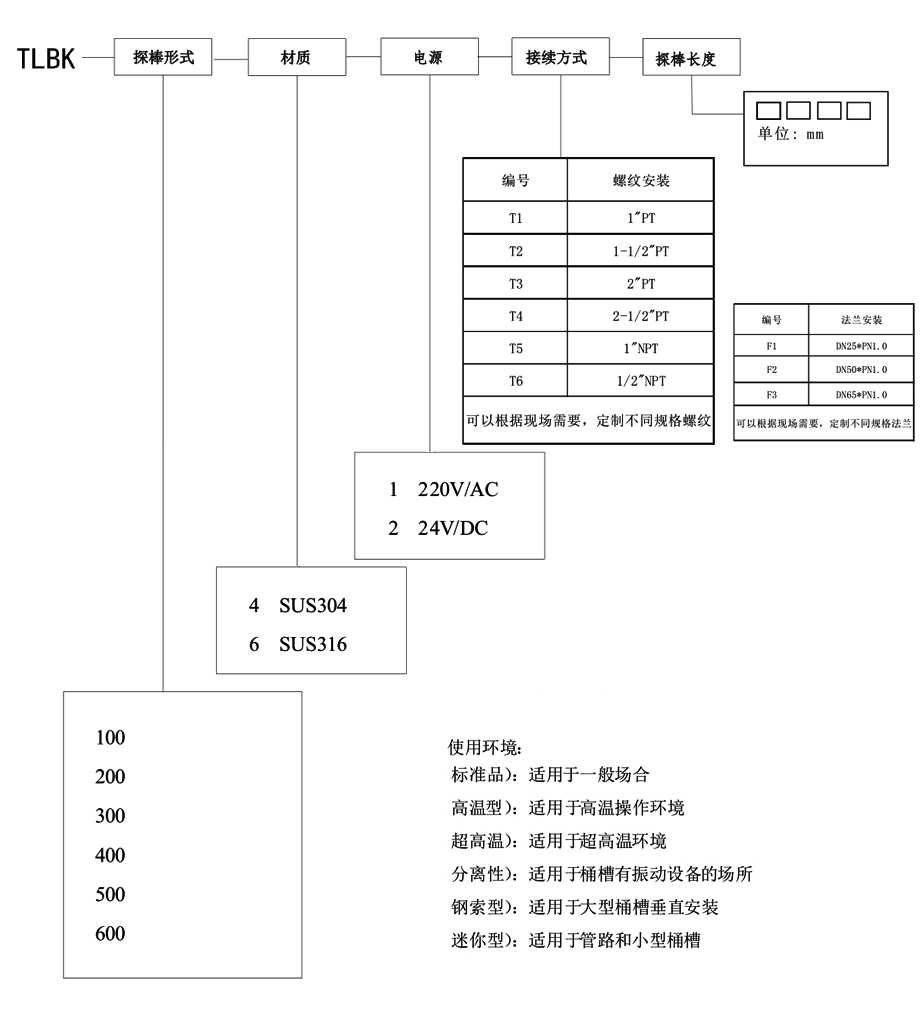
●供电电源:交流:AC220VAC,直流:24VDC
●继电器触点:常开常闭结点(AC250V/DC30V,5A)
●电气连接:M20*1.5电缆
●材质:外壳--压铸铝 振动杆--304不锈钢
●外壳防护:IP65
●压力:2MPa
●工作温度:-10℃~+85℃ (可定制高温型耐800℃)
●连接螺纹:1+1/2"NPT (或1"NPT),可选法兰连接


江苏煌达世泽仪表有限公司(原:江苏欧佰自动化仪表有限公司;备案号:苏ICP备17008894号-2